[Next] [Up] [Back] [Previous] [Contents]

Appendix 6: Database Interface Routines Flow Charts



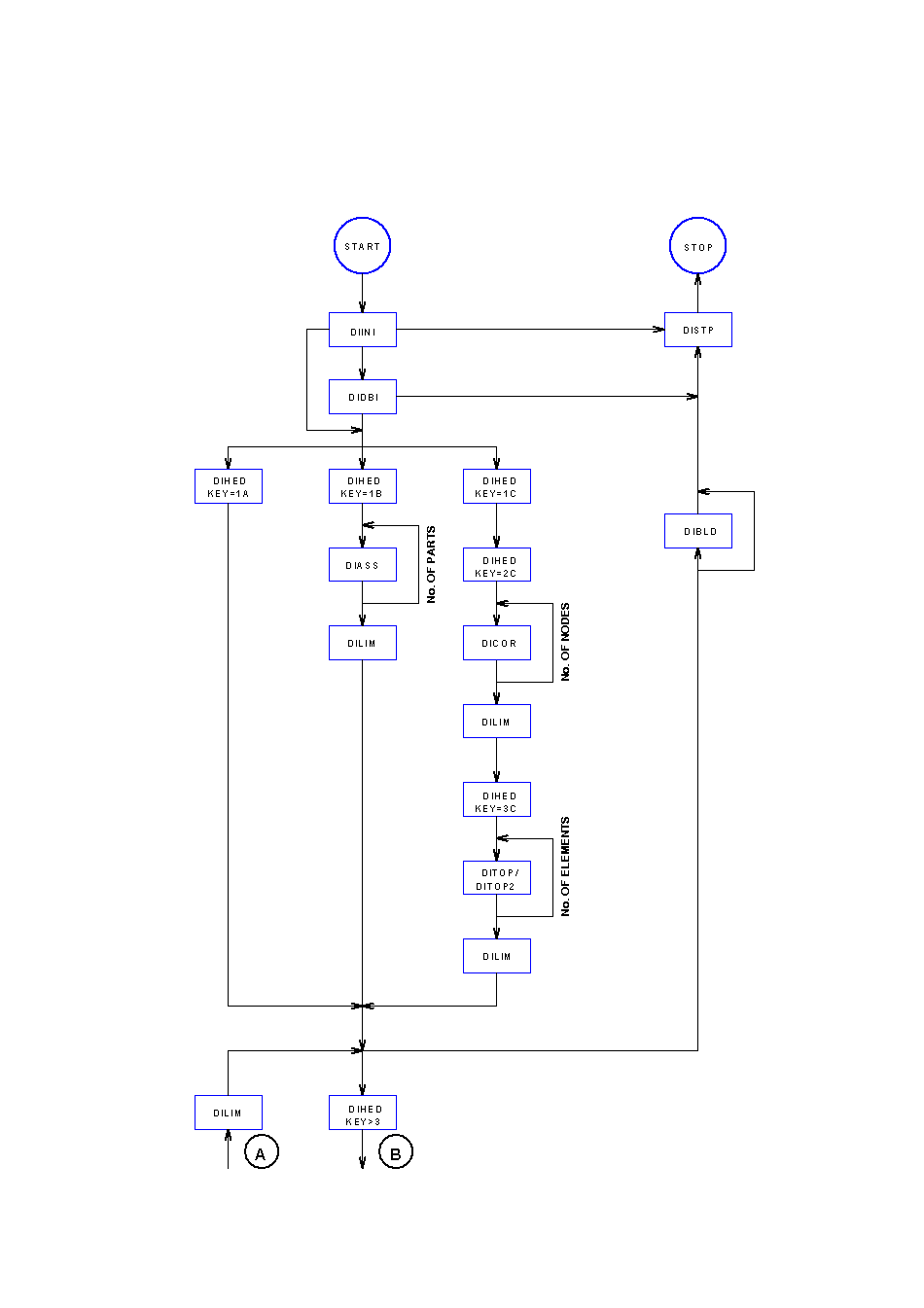
The flow chart shown overleaf illustrates the use of the Database Interface routines. Routine DIERR is not included in the diagram. It may generally be used out of sequence within the guidelines covered in chapter three of this document.

Routines DICOR and DITOP may be called as illustrated in the flow chart, or DITOP may be called before DICOR i.e. the nodal co-ordinates and element topology data sets may be entered in either order.

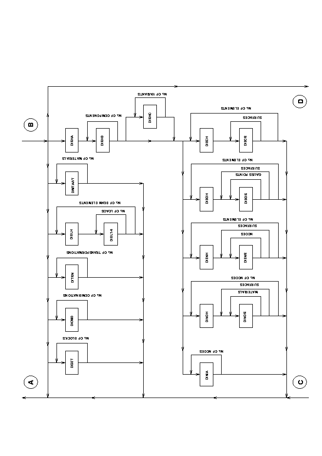
Routines DISET, DIMTA, and DIMTI may not be called when entering multi-level substructures. Element sets and materials data must only be entered at the model level. Transformations, Loadcase Combinations, Beam Loads, and User-Defined Results may all be input at any level of a multi-level substructure.

[fig1.bmp]

Figure 1

[fig2.bmp]

Figure 2

[fig3.bmp]

Figure 3





[Next] [Up] [Back] [Previous] [Contents]