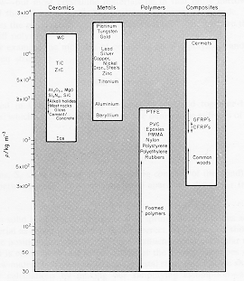
In addition to the elastic constant and yield stress, the density is an important factor in selecting a light/strong material. The two bar-plots below show the density range and modulus range associated with different material types.

To select a material a high elastic modulus and a low density will give a light/strong system.

The chart on the following page gives another way of representing these two sets of data.

WIDTH=269 WIDTH=255

From: Ashby and Jones, "Engineering Materials 1," Pergamon (1986)

Materials

Menu

Prev

Next