Twist Boundary
Index
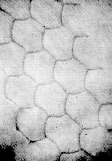
A twist boundary causes a pure rotation between two crystals of the same structure. The boundary is composed of a regular two-dimensional array of screw dislocations of the same sign in the boundary plane. If all the dislocations have a Burgers vector, b, and their spacing in the array is D, the twist angle is q = b/D.

The photograph shows the regular hexagonal array of screw dislocations in a twist boundary of an fcc aluminum sample.
 
 

From: Thomas, "Transmission Electronmicroscopy of Metals," Wiley (1962)