Menu

Prev

Next

Failure Mechanisms

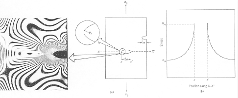
· Cracks act as "stress concentrators" in the material.
· For the idealized elliptical crack shown below, the maximum stress at the crack tip σm is related to the applied stress σ0 by: σm = {1 + 2(a/ ρ)0.5}σ0 . For: a = 10-6m and ρ = 10-10m, σm~ 200σ0 .

· The photoelastic crack model in a polycarbonate sample shows "fringes" of equal stress contours. High fringe density shows high stress concentration.